Buenas chicos!
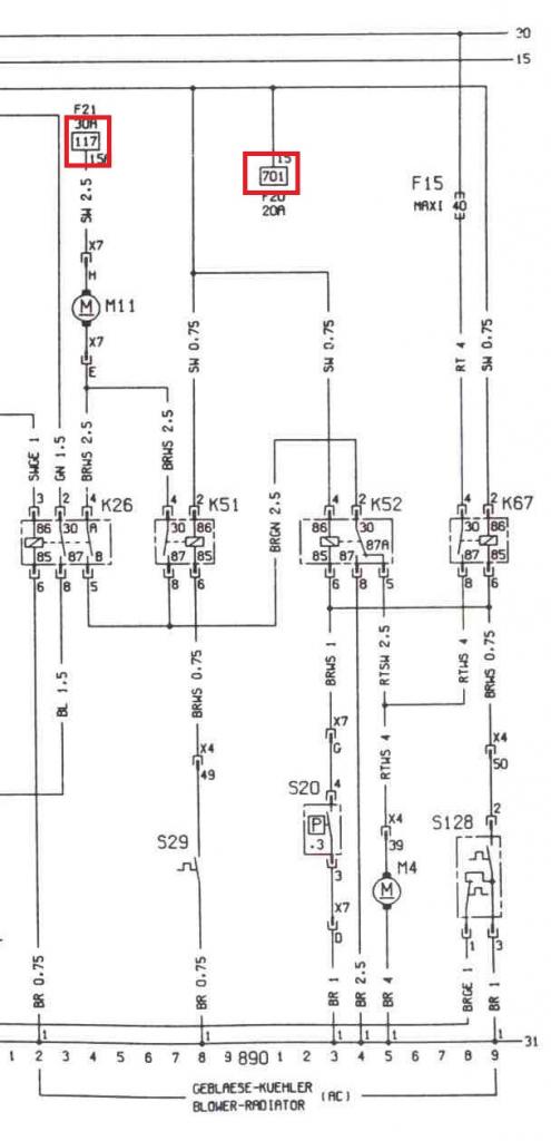
Necesito que alguien me eche un cable, tengo el esquema del sistema del aire acondicionado de serie del astra f, que me imagino que es el original de opel.
El tema es que el esquema no entraña dificultad para interpretarlo (aunque telita con el sistema xDD), pero claro tengo varias dudas, ya que hay varios recuadros,
en el cual te indica por ejemplo 117, me imagino que es un "organo" del coche, pero mi duda es cuales, he recortado el esquema para subirlo señalado para que lo veais.
A ver que me podeis decir, porque en el folio de ese esquema, en las numeraciones de reles y demas, en la parte superior no aparecen..
Un abrazo y gracias
p.d. un poco mas y me encuentro reles hasta en la rueda de repuesto xDDDDDD






Citar
