Página 4 de 4 PrimerPrimer ... 234
Resultados 31 al 32 de 32

Tema: Que interruptor, pulsador o que usar?

  1. #31
    Fecha de ingreso
    27 Feb, 07
    Modelo
    astra c20let
    Mensajes
    1,559

    Predeterminado Re: Que interruptor, pulsador o que usar?

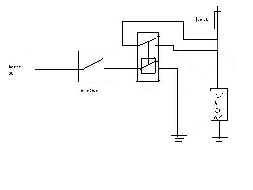
    Este esquema tambien te sirve para iluminar el neon, a ver te gusta mas:

    Al principio pense en un rele de 5 patillas pero con uno de 4 va de lujo.
    Tiene un problema, es que en cualquier ciscunstancia se va encender, siempre que le des al interruptor. No se asi lo quieres.
    Miniaturas adjuntadas Miniaturas adjuntadas Clic en la imagen para ver su versión completa. 

Nombre: Dibujo.JPG 
Visitas: 156 
Tamaño: 10.8 KB 
ID: 22192  

  2. #32
    Fecha de ingreso
    20 May, 07
    Modelo
    vectra
    Mensajes
    203

    Predeterminado Re: Que interruptor, pulsador o que usar?

    no es ke el eskema tenga un fallo eske efectivamente el rele se qeda pegado siempre a no ser q desconectes la alimentacion general del rele, como ejemplo el numero 30 podria ir a traves de contacto i al dar el pulsador el circuito qeda siempre activado asta q cortes el contacto.
    saludos a todos

Página 4 de 4 PrimerPrimer ... 234

Permisos de publicación

  • No puedes crear nuevos temas
  • No puedes responder temas
  • No puedes subir archivos adjuntos
  • No puedes editar tus mensajes
  •