Página 2 de 4 PrimerPrimer 1234 ÚltimoÚltimo
Resultados 11 al 20 de 32

Tema: Que interruptor, pulsador o que usar?

  1. #11
    Fecha de ingreso
    06 Mar, 06
    Mensajes
    862

    Predeterminado Re: Que interruptor, pulsador o que usar?

    Cita Iniciado por new vicen Ver mensaje
    buscate el boton de la luneta termica i un rele i montalo en modo autoalimentado (el rele) este invento no se para asta q no le cortas la corriente, o bien pillate un tiristor q ace la misma funcion solo q de manera electronica.
    Puedes comentar plis un poco más este sistema:wink:
    SIN TECHO SOLAR NO HAY PARAISO

  2. #12
    Fecha de ingreso
    27 Feb, 07
    Modelo
    astra c20let
    Mensajes
    1,559

    Predeterminado Re: Que interruptor, pulsador o que usar?

    Lo que dice new vicen esta de pm.

    Si quieres que con un solo pulsamiento a un interruptor los neones se queden fijos hasta que quites el contacto, con este simple puente de reles los hace, son dos reles de 4 patillas normales y corrientes.
    El esquema es un poco rudimentario, lo he hecho con el paint XD, pero si no entiendes algo preguntamelo.
    Este invento funciona, te lo aseguro, lo he hecho muchas veces, con que realizes la instalacion siguiendo la numeracion de los reles basta, pero no puedes cambiar ningun numero!!!!

    Un saludo y espero que te sirva.
    Imágenes adjuntadas Imágenes adjuntadas

  3. #13
    Fecha de ingreso
    06 Mar, 06
    Mensajes
    862

    Predeterminado Re: Que interruptor, pulsador o que usar?

    No lo he entendido jeje
    Este tambien valdria?
    Miniaturas adjuntadas Miniaturas adjuntadas Clic en la imagen para ver su versión completa. 

Nombre: Dibujo.JPG 
Visitas: 114 
Tamaño: 9.5 KB 
ID: 21993  
    SIN TECHO SOLAR NO HAY PARAISO

  4. #14
    Fecha de ingreso
    06 Mar, 06
    Mensajes
    862

    Predeterminado Re: Que interruptor, pulsador o que usar?

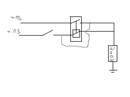
    Aqui se ve mejor con un solo rele funcionaria?

    este dibujo esta mal
    el anterior es el que vale
    Miniaturas adjuntadas Miniaturas adjuntadas Clic en la imagen para ver su versión completa. 

Nombre: Dibujo.JPG 
Visitas: 100 
Tamaño: 11.8 KB 
ID: 21994  
    SIN TECHO SOLAR NO HAY PARAISO

  5. #15
    Fecha de ingreso
    29 Jun, 06
    Modelo
    Corsa B
    Mensajes
    212

    Predeterminado Re: Que interruptor, pulsador o que usar?

    Cita Iniciado por deividelingles Ver mensaje
    Bueno pa que me entendais necesito algo que pulsandolo me active el circuito, pero que si lo vuelvo a pulsar otra vez no se desactive

    Lo q buscas, en electronica se llama SET-RESET, q si activas el SET se active el circuito, y para descativarlo necesitas pulsar otro boton q sería el RESET

  6. #16
    Fecha de ingreso
    06 Mar, 06
    Mensajes
    862

    Predeterminado Re: Que interruptor, pulsador o que usar?

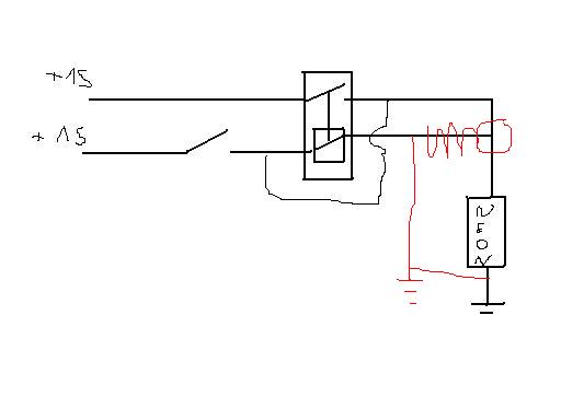
    Este es el circuito que debería funcionar, aunque desconecte el interruptor el circuito seguira funcionando?
    Miniaturas adjuntadas Miniaturas adjuntadas Clic en la imagen para ver su versión completa. 

Nombre: Dibujo.JPG 
Visitas: 88 
Tamaño: 9.8 KB 
ID: 21999  
    SIN TECHO SOLAR NO HAY PARAISO

  7. #17
    Fecha de ingreso
    27 Feb, 07
    Modelo
    astra c20let
    Mensajes
    1,559

    Predeterminado Re: Que interruptor, pulsador o que usar?

    el esquema de antes esta mal, unes positivo con negativo cuando se activa el rele, aunque como yo lo he puesto si que funcionaria justo como tu lo quieres, son solo un rele
    Miniaturas adjuntadas Miniaturas adjuntadas Clic en la imagen para ver su versión completa. 

Nombre: Dibujo.JPG 
Visitas: 372 
Tamaño: 11.8 KB 
ID: 22072  

  8. #18
    Fecha de ingreso
    07 May, 06
    Modelo
    Kadett Gt y Astra GTC
    Mensajes
    275

    Predeterminado Re: Que interruptor, pulsador o que usar?

    Buenas

    Lo que no acabo de entender es el porque de poner un neon que una vez lo enciendes no lo puedes apagar a menos que apagues el motor... ¿¿??

  9. #19
    Fecha de ingreso
    28 Jan, 07
    Modelo
    kadett
    Mensajes
    158

    Predeterminado Re: Que interruptor, pulsador o que usar?

    yo tampoco lo entiendo que pasa si te encuentras con la policia? no los vas a poder quitar a tiempo e igual te llevas una receta.
    Deberían de existir pianos por nuestras calles.

  10. #20
    Fecha de ingreso
    25 Jul, 05
    Modelo
    Kadett y Vectra
    Mensajes
    7,216

    Predeterminado Re: Que interruptor, pulsador o que usar?

    A ver, que el chico ha puesto el neón como ejemplo, supongo que querrá usarlo como corta.

    Un saludo.
    EL CALENTAMIENTO GLOBAL NO VA DEL CLIMA PRECISAMENTE...

Página 2 de 4 PrimerPrimer 1234 ÚltimoÚltimo

Permisos de publicación

  • No puedes crear nuevos temas
  • No puedes responder temas
  • No puedes subir archivos adjuntos
  • No puedes editar tus mensajes
  •