Resultados 1 al 10 de 10

Tema: Problemas check control

  1. #1
    Fecha de ingreso
    01 Nov, 07
    Modelo
    Vizcaya
    Mensajes
    738

    Predeterminado Problemas check control

    Decir ante todo que he tratado de buscar por el foro y he leido muchos post pero no encuentro solucion a las dudas.

    Tengo las dos versiones de check control una con el conector negro de 8 pines y la otra del conector azul. No se si es que esta mal o directamente no se hacerla funcionar. La version del conector azul viene con el modulo de las luces fundidas y con cables para positivo, masa etc...y bajo ningun concepto enciende ninguna luz. La del conector negro no se si es la que necesita un modulo aparte ya que si no no entiendo el conexionado de esta. ¿Algo estoy pasando por alto?

  2. #2
    Fecha de ingreso
    05 Feb, 06
    Mensajes
    1,714

    Predeterminado

    Cita Iniciado por sip-racing Ver mensaje
    Decir ante todo que he tratado de buscar por el foro y he leido muchos post pero no encuentro solucion a las dudas.

    Tengo las dos versiones de check control una con el conector negro de 8 pines y la otra del conector azul. No se si es que esta mal o directamente no se hacerla funcionar. La version del conector azul viene con el modulo de las luces fundidas y con cables para positivo, masa etc...y bajo ningun concepto enciende ninguna luz. La del conector negro no se si es la que necesita un modulo aparte ya que si no no entiendo el conexionado de esta. ¿Algo estoy pasando por alto?
    Como has conectado los cables? Has alimentado tanto positivos directos (rojo) como positivos de contacto (negro)? Para que se enciendan las luces no es necesario el modulo de luces fundidas, con alimentarlo es suficiente.

    Un saludo

  3. #3
    Fecha de ingreso
    01 Nov, 07
    Modelo
    Vizcaya
    Mensajes
    738

    Predeterminado

    Si exacto, he alimentado ambos positivos y masa, y nada, no hay manera posible de que ninguna bombilla luzca, no lo he comprobado pero me parece extremadamente dificil que todas las bombillas esten mal...

  4. #4
    Fecha de ingreso
    01 Nov, 07
    Modelo
    Vizcaya
    Mensajes
    738

    Predeterminado

    Al final el modulo estaba mal, a sido probar con otro y encenderse las luces, solo me queda una duda respecto al funcionamiento del check. Si durante la conduccion digamos falta liquido de limpias o refrigerante o lo que sea, ¿se enciende la luz durante la marcha o solo al quitar y volver a poner contacto? Ya que esto si lo he probado y hasta que no quito el positivo de contacto y lo vuelvo a poner no ilumina.

  5. #5
    Fecha de ingreso
    23 Jul, 06
    Modelo
    VECTRA A
    Mensajes
    1,457

    Predeterminado

    se enciende en cuanto ve que falta liquido o se a fundido.por ejemplo si le vas dando a los limpias y baja el nivel de agua te marcara al igual que si se te funde una bombilla en marcha.
    rotonda sin fuente de frente

  6. #6
    Fecha de ingreso
    01 Nov, 07
    Modelo
    Vizcaya
    Mensajes
    738

    Predeterminado

    Entonces sigo teniendo un problema a solucionar...

  7. #7
    Fecha de ingreso
    06 Aug, 03
    Modelo
    Kadett GSI
    Mensajes
    3,243

    Predeterminado

    Si, en cuanto un sensor detecta fallo, se queda encendida la luz de averia hasta que apagas motor y vuelves a encender.
    En el caso de nivel de aceite o de refrigerante, al rato se apaga si solo ha sido un pulso por quedarte sin nivel en una curva o similar.
    ¿No hay un modulo a parte para estos trastos??
    Kadett GSI ´90 2.0 SEH Borbetizado y esperando en la UCI el nuevo corazón.

  8. #8
    Fecha de ingreso
    05 Feb, 06
    Mensajes
    1,714

    Predeterminado

    Cita Iniciado por Txema_GSI Ver mensaje
    Si, en cuanto un sensor detecta fallo, se queda encendida la luz de averia hasta que apagas motor y vuelves a encender.
    En el caso de nivel de aceite o de refrigerante, al rato se apaga si solo ha sido un pulso por quedarte sin nivel en una curva o similar.
    ¿No hay un modulo a parte para estos trastos??
    Funciona como dice txema. Cuando pones el contacto se encienden todas las luces durante 1-2s para que puedas comprobar que todas los testigos funcionan y luego se queda encendida solamente la de luces de freno (hasta que no pisas el pedal por primera no se quita).
    Para que se enciendan las demas (agua de limpias, refrigerante, luces delanteras, pastillas, nivel de aceite, nivel liquido de frenos) el sensor asociado a ellas tiene que mandar el pulso correspondiente y entonces es cuando se enciende.

    Si no me equivoco hay dos sistemas de check diferentes: el primer sistema en el que va la "pantalla" y un modulo de luces separado, en este caso los sensores van directamente cableados a la "pantalla" excepto luces fundidas que van con su centralita. Y en segundo lugar un sistema donde existe una centralita general donde va todo cableado (sensores y luces) y ella se encarga de leer y mandar a la "pantalla" que se encienda. En el primer caso la "pantalla" tiene un pequeño circuito para gestionar todo y en el segundo caso son solamente bombillas sin electronica adicional.

    Primero mira a ver cual de los sistemas llevas y una vez lo sepas vectra16v.com para mirar los esquemas y poder cablearlo.

    Aqui algo de informacion acerca del primer sistema: http://www.blue-lcd.de/seiten/lcd/kadettcc.htm

    Edito: Centralita de luces del primer sistema ref. 90247654 (Cod. WB) (un solo conector)


    Centralita que controla todo del segundo sistema ref. 90339233 (Cod. XL) (2 conectores)


    Pantalla del primer sistema ref. 90240511-90312466 (conector azul)


    Pantalla segundo sistema ref. 90332644 (conector negro)
    http://www.ebay.de/itm/Opel-Kadett-E...item4d26754772

    Un saludo
    Última edición por eusko_astra; 31-10-14 a las 11:54

  9. #9
    Fecha de ingreso
    01 Nov, 07
    Modelo
    Vizcaya
    Mensajes
    738

    Predeterminado

    El que estoy intentando hacer funcionar es el del conector azul, que lleva aparte el modulo de luces, y consigo que se enciendan y apagen las correspondientes luces con cada cable, pero lo que no hace es hacerlo instantaneo, es decir, e de quitar el positivo de contacto y volverlo a enchufar para que lo marque correctamente, esa era la duda. Echare un vistazo al enlace aunque los cables los tengo ya todos identificados y señalizados

  10. #10
    Fecha de ingreso
    05 Feb, 06
    Mensajes
    1,714

    Predeterminado

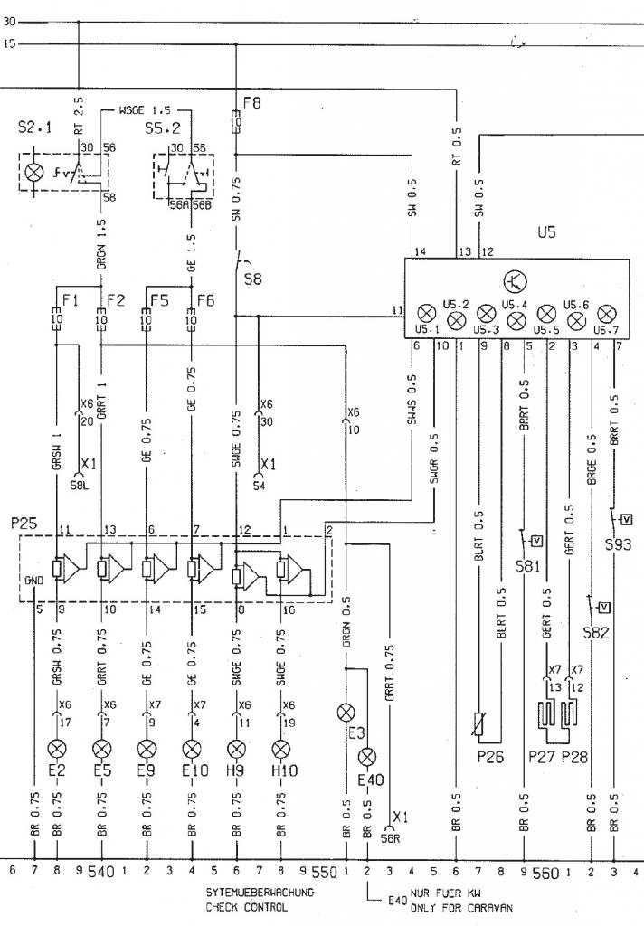
    Aqui el esquema con buena resolucion (pinchar para verlo en grande, si no descuadra la pagina):
    Clic en la imagen para ver su versión completa. 

Nombre: Check.jpg 
Visitas: 763 
Tamaño: 98.4 KB 
ID: 46707

    Yo lo que haria seria alimentar el 11, 12 y 14 (Negros) con 12v de contacto. El 13 (Rojo) con 12v de bateria. Y el 1 (Marron) con masa. Y empezaria a mirar si S81, S82 y S93 (pines 4,5 y 7) poniendolos a masa hacen algo. Diria que poniendolos a masa deberian apagarse los testigos y si los dejas sueltos deberian encenderte.

    Un saludo
    Última edición por eusko_astra; 31-10-14 a las 12:24

Permisos de publicación

  • No puedes crear nuevos temas
  • No puedes responder temas
  • No puedes subir archivos adjuntos
  • No puedes editar tus mensajes
  •