Resultados 1 al 3 de 3

Tema: cables de elvalunas ayuda

Vista híbrida

Mensaje anterior Mensaje anterior   Próximo mensaje Próximo mensaje
  1. #1
    Fecha de ingreso
    27 Mar, 13
    Mensajes
    143

    Predeterminado cables de elvalunas ayuda

    depues de un tiempo parado e empezado a poner piezas ala frankesin mio y resulta q en algun momento los cables del elavalunas del lado del conductor se a perdido o extraviado el enchufe y estan los cables con los pines y claro no se cual es el orden para enchufarlos




  2. #2
    Fecha de ingreso
    05 Feb, 06
    Mensajes
    1,714

    Predeterminado

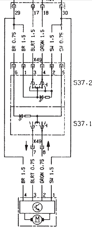
    Aqui el fragmento del esquema:



    1 - Negro
    2 - Gris-Verde
    3 - Azul-Rojo
    4 - Marron

    Ahora solo hace que busques en el conector de plastico, que suele poner el numero de pin, o igual en el conector en el propio motor de elevalunas tambien te vienen los numeros.

    Un saludo
    Miniaturas adjuntadas Miniaturas adjuntadas Clic en la imagen para ver su versión completa. 

Nombre: Ventanillas.jpg 
Visitas: 319 
Tamaño: 60.4 KB 
ID: 43992  

  3. #3
    Fecha de ingreso
    27 Mar, 13
    Mensajes
    143

    Predeterminado

    bueno hoy me e liado con elavlunas ya ya esta bien puesto los cables ahora tengo otro problema mi interior es de de una astra f normal q no tenioa elevalunas y claro en el lado del copiloto queda bien el boton pero en lado del conducto tengo q quietar des botones y solo dejar uno aver si consigo entender los cables y acabarlo ya

Permisos de publicación

  • No puedes crear nuevos temas
  • No puedes responder temas
  • No puedes subir archivos adjuntos
  • No puedes editar tus mensajes
  •