Buenas, voy a reciclar este post.
tengo un par de problemas electricos, voy a centrarme en el primero, y mas adelante planteo el segundo
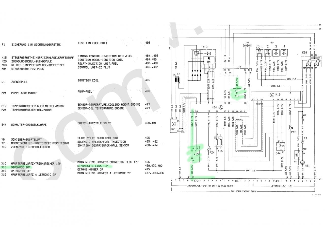
necesito conseguir que funcione la luz de diagnosis.
es un corsa a gsi e16se motor del 90
Adjunto el esquema electrico de la electronica siemens. que es la que llevo puesta ahora.
Archivo adjunto 43294
he coloreado en verde lo que creo que nos incumbe.
gracias a anteriores post he entendido que
Por lo tanto las lineas de arriba son positivas, y la de abajo negativa.
el esquema me confunde un poco. Dice que el link de diagnosis es el X13. la cosa es que aparece en dos puntos del esquema.
uno le llega una linea RT 0.75 (roja fina) al recuadro del X13 acompañado de una letra F, pero no tiene ninguna salida
en el motor siemens, la luz de diagnosis tiene dos cables, un marron blanco y uno negro.
y en el segundo recuadro del X13, ahi ya si viene una entrada y salida, pin 19 BWWS(marronblanco) de centralita y a negativo (marron BR). el recuadro tiene unas letras que no entiendo tambien: G-A y B
alguien me puede explicar un poco porque X13 esta en 2 lugares?
con poner una luz entre 19 y masa deberia tener luz de diagnosis?
porque tengo el antiguo testico con cables marronblanco negro y en el esquema es marronblanco marron?
muchas gracias chispas!