-
"Elevalunas"
El caso es que ayer de repente me dejaron de funcionar los dos elevalunas a la vez, iba de noche con las ventanillas bajadas, paro el coche y cierro y a los 5 minutos me monto de nuevo y me encuentro que ninguna ventana baja.
He comprobado el fusible y esta bien y a las botoneras llegan corriente,además se enciende el pilotito naranja del botón
Hay algún relé o similar intercalado por el circuito? O es que simplemente se han quemado los dos motores a la vez? :(
-
Q raro. Tendrás q comprobar si te llega corriente y señal de la botonera a los motores, pero mucha casualidad q hayan muertos ambos a la vez
-
Pues raro raro, pero lo he comprobado y llega corriente a los dos motores, esta mañana me he traído un elevalunas del lado del conductor y tampoco funciona, por lo que me tocara ir a que me lo cambien. Era de un astra 8v y por lo menos este no llevaba confort en el elevalunas del copiloto, el mio es un 16v y si lleva.
Así que de momento sigo igual... :(
-
Además de corriente comprueba con el esquema si los botones mandan la señal correcta a los motores. Estos tienen corriente fija y el botón solo manda una señal
-
2 Archivos adjunto(s)
Pues como bien as dicho tienen corriente fija y es lo que me falla a mi, los botones "arriba" y "abajo" mandan correctamente la señal
Si no me equivoco es el cable rojo y amarillo es el que debería tener corriente fija, alguien podría pasar un esquema eléctrico para ver donde llega? o donde conseguirlo? :confused:
Y de paso ya que tuve que desmontar el paño de la puerta he aprovechado para esto ;)
Archivo adjunto 56871 Archivo adjunto 56872
Un saludo y gracias
-
Hola los esquemas eléctricos de tu coche aquí:
http://www.vectra16v.com/slp/slp_astra_f_mj94.pdf
Luego ya es localizar donde esta la parte de los elevalunas, creo salen en la pagina 10, a la derecha.
Un saludo.
-
Justo lo que necesitaba, a la tarde le hechare un rato al coche a ver si hay avances y gracias por la información
Saludos
-
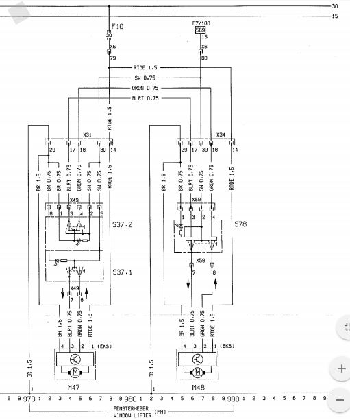
1 Archivos adjunto(s)
A ver si podéis echarme una mano, hasta donde yo entiendo esta F10(Fusible 10), Y llega corriente hasta X6(cuadro de instrumentos), hasta aquí el cable es negro y tiene continuidad por lo que llega corriente(Comprovado).
Después aparece esa ralla y el 79 que no se que es y después aparece ese cable RTGE 1.5(rojo y amarillo) que es el que llega a los elevalunas.
La cuestuón que es identificar ese 79 que no se que es.
Saludos
Archivo adjunto 56874
-
El X6 es el conector que esta debajo de la palanca de apertura del capo (detrás del plástico negro que cubre el borde cercano a la puerta) y el 79 es el pin que ocupa ambos cables.
http://s2.subirimagenes.com/otros/pr..._9786447x6.jpg
-
Comprueba q entre 1 y 4 del motor tengas tensión y q los otros dos reciban una señal cuando le des al botón, bien positivo bien negativo