K , nene, cuéntamos como va el tema.
Mucho ánimo, a ver si sale el puto fallo ++++++ que te tiene amargada la existencia.
Un abrazote.
Alex.
Versión para imprimir
K , nene, cuéntamos como va el tema.
Mucho ánimo, a ver si sale el puto fallo ++++++ que te tiene amargada la existencia.
Un abrazote.
Alex.
Al menos lo hemos recuperado para la causa, porque hasta hace poco ni eso, estaba el pobre missing in action.
Un saludo
Juas, eso eso, a ver si por fin la Leti vuelve a soplar en el aniversario a 1.2... ah no, que eso era el dueño xDDDD.
Un saludo.
eso es, cuentanos que le pasa a LETi que se ha quedado sin chicha y eso no puede ser.
Ya te dije alguna vez que vivimos a escasos 60km, y mecanico no soy pero puedo ayudar en lo que quieres.
Cuando quieras hacemos una kdd por zonas bizkainas y si te apetece nos ponemos a buscarle el fallo al bitxo ese, que parece que los LET ultimamente fallan mas que una escopeta de feria (luisito´s car en la kdd no andaba, los 2 astra turbo del ultimo aniversario kaput, .......)
Un saludo, y mil animos desde gasteiz
Hey gracias a todos. Q pasa Alex q me has visto q toy aki de continuo. Amargao amargao no, pero me tiene en jake el ++++++. Mañana lo dejo en la bosch ya definitivamente xq lo he mirado remirado y no se ya q mas probar/cambiar.
Es facil q haya llegado al momento ese de obcecacion q todos tenemos en el cual no vemos mas aya de dos dedos y la solucion es evidente.
Asi q a ver si esta gente saca algo, puesto q conocidos q curran en opel con ordenador de servicio haciendo prueba dinamica y to no sacaron na, pos na a aburrir a otros a ver q dicen.
Un saludo a todos y gracias por el apoyo.
Spero q si lo dejo mañana, ta tin ta tan, pa la semana q viene tnga alguna noticia.
Llevo unos dias pensando q pueda ser el sensor de presion abosoluta ese q va en el codo de la admision justo encima de la mariposa, pero ya me ha vuelto loco tanto tiempo q me da =. Q me lo diga el de la Bosch. Q se yo
No t digo na, y t lo digo to...
Si se vuelve uno loco con un let que es "sencillo" imagina con uno nuevo... xDD
Ánimo, tarde o temprano saldrá el gremlin del escondite.
Alex, ya sabes que esas cosas terminan saliendo... a ver si hay suerte y es pronto... porque yo sé el mareo que te está dando...
LETI vuelve a caminar!!!! x alli.. mejores mecanicos que x aki.. seguro... y enfermos turbineros te kedan cerca asi que date un poquito de tiempo en no tirar la toalla todavia...
Muchos animos
Hoy voy a la bosch, madre mia, hablo con el tio y le cuento to l oq he probado y to l oq he cambiado. Me mira y me dice:
Y q kieres q hagamos nosotros, el procedimiento q has hecho ha sido el logico, no somos dioses.
Casi me caigo al suelo. Jajajajajajaja, bueno he hablado con el y asi como medio apoyados en el capo hemos llegado a nuevas conclusiones. Voy a revisar todos los tubitos de depresion. La idea es q algunop este picado el turbo no sople como debe y la centralita corte un poco de sopa
si lo raro es que la centralita no detecte nada.... no sé
Nos reiremos todos cuando encuentre.. la PO:LL:ADA del problema.. :(
++++!!! y que le pasa a LETi?? Hace poco nos cruzamos y no sabía na del tema, el coche parecía ir correcto, si me adelantaste y todo(por que llevaba el corsa, xDDDD).
Salu2
pero para los que no estamos al corriente, cual es el sintoma? no sopla?
basicamente... que acelerando muy suavemente el motor va bien y puede llegar al corte... en el momento en el que se le aumenta la carga de acelerador, ya sea a tope o un poco mas de punta de gas, ya sea desde 0 o a medio regimen, el coche no anda, dice que es como si fuera a 3 cilindros o algo asi....
de momento está comprobado todo lo lógico de comprobar... a ver si se sabe algo que hoy decía que lo volvia a mirar con el de la bosch o no se qué...
Lo siento Kike, es q casi tos con los q hablo habitaulmente estan al dia. T cuento...
La cosa es q andando normal con el coche, como dice RAndy aparentemente bien. Y no solo aparentemente, el coche va bien hasta q le pides caña. Como dice Emilio si le vas pisando poco a poco sin darle mucha carga al motor, vamos si le vas subiendo justo lo q t pide, a punta de gas el coche hasta arriba si kieres.
El problema llega cuando no cumples esto, le calzas el pedal abajo, no tiene xq ser abajo del todo cuando le das mas carga al motor de la antes citada el motor se le oye como si fallara, por odigo yo diria como si las chispas fueran tarde. El coche sigue tirando pero ahi algo q no va bien xq no tira como hasta en el punto q empieza a fallar. Como si algo no estuviera bien a punto del todo.
Partiendo de esto, lo primero q pense dije, bua fallo de encendido, hall da mala señal, nada. Kite distri limpie q tenia aceite, digo = con el aceite por lo q sea da una señal rara, sigo =. Desenchufo sensor y lo sigue haciendo. Descarto.
Otra Bobina q amablemente me ha prestado Winflans, falla =
Desenchufando sensores doy con el del angulo de la mariposa, kito y no falla, todo ok, ralenti se keda un pelin alto logicamente pero todo ok. Digo ya ta, pongo el sensor de un 8V q no es la misma ref. pero es = parece ser. Falla = q antes, ya se me hacia raro, si no fuera l oq corresponde marcaria averia o fallaria de otra manera. Aun asi no me kedo contento busco uno de la misma ref. pruebo e =.
Desenchufo picado y na, sigue fallando.
Cambio la bomba de sopa puesto q llevo iny de mas caudal, los verdes, no siendo q kiza la de serie me da presion xq lo marca el relog de la rampa, pero no caudal suficiente. Pongo una q me madno Dani type, q me da mas de 6bar de presion. Falla.
Joder pongo la rampa completa con pulmon de serie y todo del mio, los amarillos. Falla
Koño me da por pensar ya no se, cambio el amortigaudor de presion q lleva la bomba a su salida y antes del filtro. Falla
Y de ahi en adelante visita a la bosch recomendacion de mirar los tubos de depresion, comprobados y todos ok
Hoy vuelvo a hablar con el le comento la jugada le digo q si se lo dejo, y me dice q no, q es perder el tiempo, q to lo yo hecho es correcto q el hubiera hecho lo mismo. y q dejarlo pa na es absrudo.
Asi q hoy hablando salen mas temas, una cosa q no se me habia ocurrido a mi, kitar el tampo de sopa, kiza respiradero obstruido y la bomba no chupa a gusto. La verdad q ruido a mi parecer hace mucho pero bueno. Mañana probare.
Y otra idea q le he comentado y le ha gustado es poner los chips de la phase 2 q tngo y tenia pensados ponerlos cuando kitara el fallo, pa ver si el turbo soplando un poco mas se le kita la tonteria. Xq ambos estamos de acuerdo en q al tener mas recorrido de admision y mas capacidad el IC pueda tener un retardo pero no por eso fallar.
Asi q hay estamos, por cierto decir q antes de cambiar bomba cuando aun estaba mosca con sensores me enchufaron makina de servicio y andando con el coche, una prueba dinamica, me iban comprobando sensores y todos los valores ok. Haciendole fallar y mirando tech a la vez na de na, todos los valores en los margenes correctos y tal.
A mi entender lo mismo la centralita se le va la perola y por lo q sea no mide bien el soplado y corta gasolina, q se yo. Asi q probare chips y otra centralita kiza.
Kike se t ocurre algo? O alguien, se le ocurre algo?.
Perdon por el ladrillaco
¿Las bujías son del grado de serie? Lo digo porque ahora la admisión te va más fresquita, igual se te empapiza al meterle mezcla porque no calientan lo suficiente.
Eso que te hace es, a mi parecer, porque no es capaz de quemar el "chorro que se le viene encima".
Saludetes.
yo si puede ser probaria otra centralita, por lo poco que se de los let llevan un tubito hasta ella para indicar la presion al sistema, quizas con mucho soplado se le vaya la olla un poco
para tenerlo claro la preparacion se limita a IC mas grande? algo mas?
cuando falla, la luz de averia no acompaña no? el tema mecanico queda descartado? turbo en buen estado y mangueteria sin fugas?
no se la verdad que yo en turbos estoy bastante pez, pero a ver si entre todos logramos algo
Que tal Alex, te cuento mi experiencia.
Me pasaba exactamente lo mismo que a tí con el kadett. A punta de gas iva de p-madre hasta el corte, pero cuando pisaba un poco de más empezaba a fallar. También me volví loco mirando mil historias... Sabes que era? el pvto tubo de gasolina que va del depósito a la bomba estaba estrangulado donde pasaba por encima del puente...
Seguro que lo tuyo también es alguna chorrada así...
A ver si lo solucionas pronto.
Un saludo
Lo q me dice Cicli tb lo he pensado. Xq para la fase dicen q es necesario una grado termico menos. Pero solo con el Ic no creo q hiciera un fallo tan fuerte. No obstante puede ser otra cosa a probar. Gracias Dani
No kike, la luz no acompaña macho es una ++++da xq ni por esas ni una sola pista de por donde empezar asi q casi casi palos de ciego por ir probando cosas. Manguiteria esta comprobada es uno de los pasos q hice. La fase 2 lo q dice es chip, pa soplar mas y de iny (Son dos dentro de la centralita), IC mas gordo y subir un poco la presion de sopa. Pero q ahora solo va el IC asi q na de na.
Sobre lo del tubo de gasolina lo medio descarto, xq no pasa por ningun punto felixible ni cerca de articulaciones, recuerda q el mio es independiente. Los tubos no tienen ningun problema ni na, creo yo. Los volvere a revisar por si. Xq si no recuerdo mal al TT le paso algo parecido con un tubo.
Os mantendre al dia gente, gracias por las ideas
Lo del tapon de gasolina probado, ningun efecto.
La semana q viene hare mas pruebas...
Sigo informando, probadas bujias de grado termico 6 y na. Decir q no encontrado hoy las Bosch q recomienda EDS q son las F6DTC y me han dao las ekivalentes en champion, hubiera esperado pero toy tan rayao ya q por probar otras me da lo mismo, cuando vaya bien ya pondremos.
Parece q va mas fino el motor y to, como si lo agradeciera y kiza le cueste un pelin mas fallar q antes. A ver si mañana le calzo los chips y mas tarde la valvula despues de probar solo un cambio a ver
¿Probaste a poner el regulador de presión de chofla de serie?
Rampa completa de serie, con inyectores de serie regulador de serie y sin relojito.
Al final lo he dejado pa la semana q viene lo de los chips y tal q estare de vacas y si lo hago ahora kiza me aburra. Estare sin conexion asin q... No me hecheis mucho en falta la semana q viene eh!
Gracias por seguir dando ideas
Y has mirado el sensor MAP? puede ser que con el IC note mas soplado y te corte
D hay mi idea de cmabiar los chips. No son los q controlan el MAP o t refieres a la cajita negra en si... De donde saco yo una, juas
Se referirá a la cajita negra a la que le va el tubito de soplado, pero eso cuesta un cojón y parte del otro... xD
¿Con esa fase queda anulado el sensor en determinadas circunstancias?
No creo, lo q hace supongo es permitirle soplar mas, vamos darle la orden a la amal pa q la wastegate abra un poco mas tarde. Soplara mas. En caso negatvio kerria probar otra centralita por ese motivo precismante
Hecha un viztazo a los tubos de aire (depresión que salen de la válvula amal que es la que controla el Turbo, yo una vez tenía uno suelto a la entrada del tubo revisalos en toda su longitud y que no tengan ninguna perdida por ningun lado o estén partidos, porque tiene pinta que al pedir mas gas puede tener alguna perdida y no está mandando una señal "logica" a la centralita.
Lo de la gasolina (bomba, regulador de presión, turbos, rampa, etc) no tiene pinta de ser si te llega bien la presión a la rampa, a no ser que tengas un inyector jodido, pero como tambien los has cambiado?
Saludos.
Daremos con el problem!!!!! GGGGGGGGGGGGRRRRRRRRRRSSSSSSSSS
Yo como no gasto esa alta gama de motores no te puedo ayudar... :(
Pasito a pasito...... pa diciembre..... eso estara soplando al rojo vivo.....
Animooooooooooooooooo
Comento pa no abandonaros.
Ahora mismo va con la fase completa, chips, le calzado mas pres de sopa rekerida pa la fase, la valvula de descarga etc etc.
BUeno la cosa es q con las bujias de grado mas bajo parecia como q kisiera costarle algo mas fallar, me daba algo mas de margen de pedal por decir algo. Pero seguia fallando.
Con los chips volvi al principio o incluso mas sensible. No me daba tanto margen a pisar. Por facilitar fallaba mas facilmente yo creo.
Voy a lo q me decia Luisito, MAP, lo llevaba pensando tiempo, ya sabia q era la cajita negra esa, pero como dice Cicli vale un kojon asi q lo q hare sera probar otra centralita completa. Y en caso de q no falle, pos habra q buscar una q vaya bien. Me dirijo al MAP mas q nada tb por nuevos detalles de los q no me habia dado cuenta. Cuando falla, siempre he dixo q era alrededor de las 3000rpm, pero andando y mirando me dao cuenta tb de q justo siempre coincide con 0.5bar en el reloj de turbo, si le piso falla el soplado sigue subiendo fallando pero sube, pero siempre por encima de los 0.5bar. Asin q a ver la siguiente es probar centralita
Rieger los tubos ya los comprobe uno a uno en su dia, y la valvula he probado con dos ya q tenia otra. No digo q estuviera en plenas facultades pero si fuera de ahi el fallo q casualidad q hiciera esactamente el mismo fallo.
Gracias por tod@ vuestr@ apoyo/ayuda
has abierto la centralita para comprobar que la zona a donde llega el tubo de presion no esté todo embadurnado?
Bueno pues mirate por Ebay, que ahora hay algunas.
Un saludo.
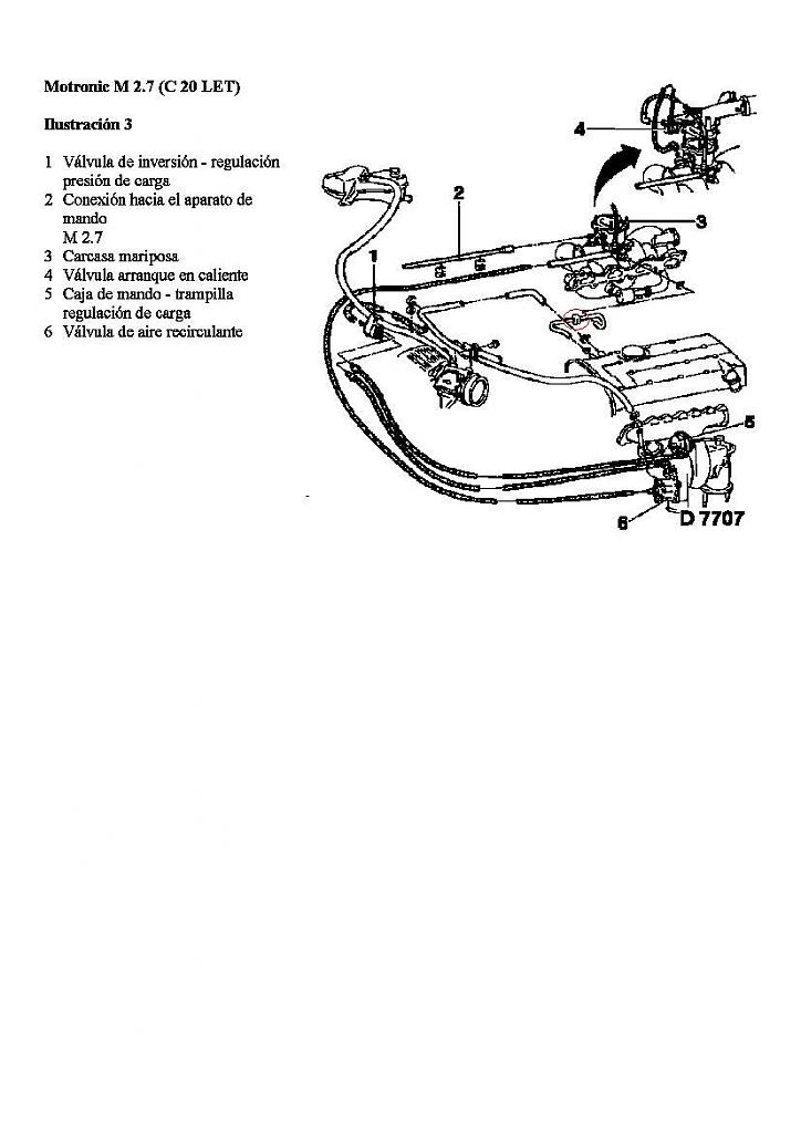
Alex, una cosa que lleva el turbo que parece una tonteria pero es importantisima, es una valvula antirretorno que lleva en el conducto que sale de la tapa de valvulas (el tubo pequeñito) y va hacia la caja de mariposas. Si la esta valvula antirretorno esta perforada o montada alreves, la presion de turbo se metera en tapa de valvulas, a su vez en el conducto que va a la watesgate y vuelve al let loco. Comprueba eso.
Despues de mirado y remirado si me suena de en alguno haberlo visto. Lo q tu me indicas es una valvula unidireccional de dos colores similar a la q montan los TDI y demas para las electorvalvulas del turbo. Pero es q el mio no la lleva ni la ha llevado nunca dsd q conozco este coche. No me digas xq motivo o si no la llevaran todos.
Ni en el tubo q va a la wastegate, ni el q sale de caja de mariposas ni el de la tapa de valvulas macho, ninguno. Y en el TIS he mirado y si es cierto q sale dibujado, en el tubo q va dsd la tapa a la caja de mariposa. Pero el mio yo diria q no lo lleva o es diferente. Me he fijado y parece q algo tiene xq tiene alguna abrazadera. Lo sacare entero el tubo y en caso de tal pos habra q ponerle. Pero vamos q no lo he tocado y antes iba bien.
Otra cosa q me he fijado es q tu en tu coche tienes dos tubos alrebes q en el mio. Me refiero a la electrovalvula q da paso o no al vacio para el pulmon de la rampa. Le pregunte a Winflan y me dijo q el los tiene como yo, sin embargo por las fotos q veo de tu coche tu los tienes a la inversa. SUpongo q no tendra mayor importancia xq simplemente es una electrovalvula q abre o cierra paso. Entre otras cosas yo creo q va a asi xq de la otra manera no me llegan los tubos creo q probe y Winflans me dijo lo mismo.
Como bien dice Flama hay unas cuantas centralitas en ebay. Ayer peske una en UK barata. A ver cuando llega, la tenia vigilada y estaba sperando una cifra en los portes. A ver si llega y todo correcto xq me ha salido unos 150€ (125 Libras) puesta en casa.
Segun el Tis, y asi lo llevo y asi me va de muerte:
http://www.clubgsispain.com/attachme...1&d=1220616553
Y este es el esquema global. En rojo esta rotulado la valvula que te menciono.
http://www.clubgsispain.com/attachme...1&d=1220616553
Tio revisa los tubos a conciencia segun el esquema, anula la valvula de descarga para probrarlo. Si no tiene instalado la valvula antirretorno, ponsela, porque sino, cuando empiece a soplar el turbo la misma presion se mete por la tapa de valvulas y le llega a la valvula amal, y descontrola es sistema. Una vez me parecio leer en el team calibra que alguien le paso algo parecido por esta ++++ valvula.
Antes que una centralita, tambien yo probaria una valvula amal, incluso nueva no es cara, sale por unos 50€.
Un saludo
Ok, segun lei tu respuesta mire el tis yo tb y vi esactamente eso q me muestras. Probare a cambiar de senido los tubos de la vlavula esa. No lo hice antes x lo q t comentaba anteriormente. Winflan me dijo q los llevaba como yo y no le di mayor importancia, pense q kiza fuera un fallo en el dibujo. Lo de la valvula antiretorno tb vi la misma imagen. Mirare bien y probare a comprarla nueva puesto q supongo tampoco sera muy cara.
La amal no sesi lo he comentado en el post pero tb la puse nueva hace unos meses por otro motivo. Es mas la cambie x la q tenia usada q la guarde pa un imprevisto y hace lo mismo. Asin q supongo q eso descartado. El lunes paseo a la opel a por la antiretorno esa. Ya no miro ni lo q cuesta, xq en desguace no lo voy a ver. AUnke los TDI la llevan todos una antiretorno no tiene misterio alguno pero vamos.
Gracias por tu ayuda tio. A ver si sacamos algo en claro
Soy bastante ignorante, en el tema mecanico, pero suelto alguna que creo que podria ser, El calibra tenia sonda landa?(Se escribe asi?) Podria ser el caudalimetro?? En mi astra G DTI, le pasa algo curioso, cuando arranco me da fallo motor y se me pone en emergencia, asta que le calzo de 3 a 5 (una de las 3 marchas)embrago, quito contacto, pongo la llave en posición de arranque pero en vez de arrancar de contaco lo arranco como si lo empujara, y me arranca el coche sin fallo, funciona bien asta que se pone a relenti que vuelve el fallo del motor tengo que ir a la Opel a que le eche un vistazo el tech y haber si me puede decir algo y con lo que me diga vengo y lo escribo por si te es de ayuda
POs hombre otro caudalimetro ya probe, lambda no es xq falla a pedal a fondo tb, no hay luz de fallo ni na.
pity* probado la valvula. El mio efectivamente no la tenia como t decia, el corte en el tubo estaba hecho no se si algun dia se la kitarian o iria asi siempre. He pedido la valvulita en la opel, pero como no podia sperar pos me acerke a un desguace.
No habia un turbo pero habia varios TDI y DTI de opel los cuales la montan para el tema de vacios y turbos y tal tb. TOnces koji una y soplando y aspirando aparentemente funcionaba bien. La monte el mio en el sentido logico q yo croe q es el suyo y fallaba no contento pos le pego la vuelta por probar. Y na idem.
Asi q esperaremos centralita. De todas maneras confirmame en q sentido ha de correr el flujo de aire y en q sentido no pa cuando llegue la nueva ponerla bien. Pero vamos por ponerla xq si antes no la necesitaba...