-
Que interruptor, pulsador o que usar?
Hola necesito que me digais algun boton que llevan los calis como el de los asientos o tc que no se usan para su funcion, que sea necesario pulsarlo para encender los neones, pero que una vez encendido aunque apretemos otra vez dicho boton no se apaguen, hasta que no apagas el coche. Con esto me refiero a que encendemos alguna funcion pero con el coche a 200 que si lo pulsemos no se apague para que no cause un percance.
-
Re: Que interruptor, pulsador o que usar?
Lo veo muy complciado eso q dices.
Pq por ejemplo lo del Tc, lore gulara el modulo del propio Tc pq si lo dejas desconectado creo recordar (ya no lo llevo) q al volver a arrancar se volvia a activar.
-
Re: Que interruptor, pulsador o que usar?
y esa funcion??? los botones en si son como pulsadores no??ke lo que hace que se "quede" es un relé...no se si me equivoco.
todo seria estudiar los bornes de los botones...
-
Re: Que interruptor, pulsador o que usar?
Pero el rele en la linea de mando creo que tienes k cerrar circuito sino no se desactivara no?
-
Re: Que interruptor, pulsador o que usar?
Bueno pa que me entendais necesito algo que pulsandolo me active el circuito, pero que si lo vuelvo a pulsar otra vez no se desactive
-
Re: Que interruptor, pulsador o que usar?
Cita:
Iniciado por
deividelingles
Bueno pa que me entendais necesito algo que pulsandolo me active el circuito, pero que si lo vuelvo a pulsar otra vez no se desactive
entonces?...
pon un ejemplo en el equipamiento del coche, q no te sigo
-
Re: Que interruptor, pulsador o que usar?
ah ya te sigo
y si cojes el cable de la radio?
me explicare, tu con el coche en contacto o apagado, no se puede encender la radio porq no tiene corriente, pero si pones el contacto o lo enciendes, si llega corriente. De este modo ahi tienes una fuente de corriente cortada, ahora queda lo de encenderlo y nomas. segun creo recordar el botoncito del tcs que llevan los vectra y calis bien equipados, son de un solo impulso, pero claro, no se quedaria encendido, aki tendrias que mirarte el modulo de un tcs y aplicarlo, porque este modulo al recibir el impulso mantiene corriente al sensor y al recibir otro impulso la corta...asi que en el fondo tampoco te sirve, pero es lo q se me ocurre
lo veo mucho jaleo..no seria mas facil un boton para encender y apagar desde la radio?
-
Re: Que interruptor, pulsador o que usar?
yo quiero usar un boton o lo que sea como por ejemplo para un cortacorrientes que haya que pulsarlo para poder encender el coche pero luego con el coche encendido si le das no se apegue
-
Re: Que interruptor, pulsador o que usar?
vaya rucadero de cabeza para encencer un neon no? interruptor normal y corriente y andando, con positivo directo o bajo llave. no obtante un boton que se queda encendido hasta que apagas es el desempañador de los espejos, pero solo va temporizao a 10 minutos, y sin contacto no rula. no creo que haya ninguna funcion de serie con todos esos requisitos
-
Re: Que interruptor, pulsador o que usar?
buscate el boton de la luneta termica i un rele i montalo en modo autoalimentado (el rele) este invento no se para asta q no le cortas la corriente, o bien pillate un tiristor q ace la misma funcion solo q de manera electronica.
P.D. no ta mal pensado lo del desconectador ese q dices
-
Re: Que interruptor, pulsador o que usar?
Cita:
Iniciado por
new vicen
buscate el boton de la luneta termica i un rele i montalo en modo autoalimentado (el rele) este invento no se para asta q no le cortas la corriente, o bien pillate un tiristor q ace la misma funcion solo q de manera electronica.
Puedes comentar plis un poco más este sistema:wink:
-
1 Archivos adjunto(s)
Re: Que interruptor, pulsador o que usar?
Lo que dice new vicen esta de pm.
Si quieres que con un solo pulsamiento a un interruptor los neones se queden fijos hasta que quites el contacto, con este simple puente de reles los hace, son dos reles de 4 patillas normales y corrientes.
El esquema es un poco rudimentario, lo he hecho con el paint XD, pero si no entiendes algo preguntamelo.
Este invento funciona, te lo aseguro, lo he hecho muchas veces, con que realizes la instalacion siguiendo la numeracion de los reles basta, pero no puedes cambiar ningun numero!!!!
Un saludo y espero que te sirva.
-
1 Archivos adjunto(s)
Re: Que interruptor, pulsador o que usar?
No lo he entendido jeje
Este tambien valdria?
-
1 Archivos adjunto(s)
Re: Que interruptor, pulsador o que usar?
Aqui se ve mejor con un solo rele funcionaria?
este dibujo esta mal
el anterior es el que vale
-
Re: Que interruptor, pulsador o que usar?
Cita:
Iniciado por
deividelingles
Bueno pa que me entendais necesito algo que pulsandolo me active el circuito, pero que si lo vuelvo a pulsar otra vez no se desactive
Lo q buscas, en electronica se llama SET-RESET, q si activas el SET se active el circuito, y para descativarlo necesitas pulsar otro boton q sería el RESET
-
1 Archivos adjunto(s)
Re: Que interruptor, pulsador o que usar?
Este es el circuito que debería funcionar, aunque desconecte el interruptor el circuito seguira funcionando?
-
1 Archivos adjunto(s)
Re: Que interruptor, pulsador o que usar?
http://www.clubgsispain.com/attachme...1&d=1198423909el esquema de antes esta mal, unes positivo con negativo cuando se activa el rele, aunque como yo lo he puesto si que funcionaria justo como tu lo quieres, son solo un rele
-
Re: Que interruptor, pulsador o que usar?
Buenas
Lo que no acabo de entender es el porque de poner un neon que una vez lo enciendes no lo puedes apagar a menos que apagues el motor... ¿¿??
-
Re: Que interruptor, pulsador o que usar?
yo tampoco lo entiendo que pasa si te encuentras con la policia? no los vas a poder quitar a tiempo e igual te llevas una receta.
-
Re: Que interruptor, pulsador o que usar?
A ver, que el chico ha puesto el neón como ejemplo, supongo que querrá usarlo como corta.
Un saludo.
-
Re: Que interruptor, pulsador o que usar?
Cita:
Iniciado por
UZIELGAL
A ver, que el chico ha puesto el neón como ejemplo, supongo que querrá usarlo como corta.
Un saludo.
si lo del neon era un ejemplo entonces no he dicho nada jeje
un saludo
-
Re: Que interruptor, pulsador o que usar?
a vale vale jejeje rectifico yo tb mil disculpas!
saludos
-
Re: Que interruptor, pulsador o que usar?
La idea es alimentar un relé con la señal activada por el mismo, para que se quede "pillao" hasta que le cortes la alimentación (el contacto).
Por temas de cortacorrientes, después de lo de la luna lo voy a complicar todo lo que pueda, para tener las mínimas posibilidades de que me lo guinden. Lo malo ( y bueno) de la maldita inyección Siemens, es que no hay una sola cosa que puedas desconectar y que el motor no arranque, tienes que anular al mismo tiempo dos o mas sensores. Todos lso sensores tienen redundancia y está muy bien programada la jodía, no es como los caudas de los VAG que te dejan tirao...
Como se me jinchen las bolas, los anulo todos, a ver quien tiene huevos a arrancar un motor al que no le llega ninguna señal jajaja
-
Re: Que interruptor, pulsador o que usar?
Entonces con el esquema que ha puesto pity funcionaria no?. llevas la simtec?
-
Re: Que interruptor, pulsador o que usar?
El sistema debaría funcionar.
Sí, llevo la simtec 56.0, una inyección muy buena a mi gusto, aunque no se puede tocar como las motronic 1.5...
-
1 Archivos adjunto(s)
Re: Que interruptor, pulsador o que usar?
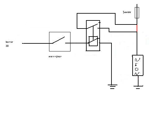
e estado mirando los circuitos q abeis puesto i si no se me a escapado nada estan todos bien lo q pasa q son algo liosos de acer y plantean problemas de retornos de corriente (y en opel ya se sabe el plan de los retornos) asi q os dejo este donde la unica esplicacion a daros es q el positivo 30 es el cable de corriente constante y el positivo 15 es el del pulsados q puede ser antes o despues de llave y pongo la lampara como podeis poner cualquier otra cosa.
P.D. el simbolo del rele es el q yo e dibujado en el cuadrito rojo, ya q aqui se tocan muxos circuitos q aceis con reles estaria bien q todos usasemos su simbolo electrico ya q eso ace el montaje mui sencillo
P.D. el adjunto es un paint, q si alguien no lo ve q lo diga i lo subo cuando saqe algo de tiempo.
feliz navidad a todos
-
Re: Que interruptor, pulsador o que usar?
Cita:
Iniciado por
new vicen
e estado mirando los circuitos q abeis puesto i si no se me a escapado nada estan todos bien lo q pasa q son algo liosos de acer y plantean problemas de retornos de corriente (y en opel ya se sabe el plan de los retornos) asi q os dejo este donde la unica esplicacion a daros es q el positivo 30 es el cable de corriente constante y el positivo 15 es el del pulsados q puede ser antes o despues de llave y pongo la lampara como podeis poner cualquier otra cosa.
P.D. el simbolo del rele es el q yo e dibujado en el cuadrito rojo, ya q aqui se tocan muxos circuitos q aceis con reles estaria bien q todos usasemos su simbolo electrico ya q eso ace el montaje mui sencillo
P.D. el adjunto es un paint, q si alguien no lo ve q lo diga i lo subo cuando saqe algo de tiempo.
feliz navidad a todos
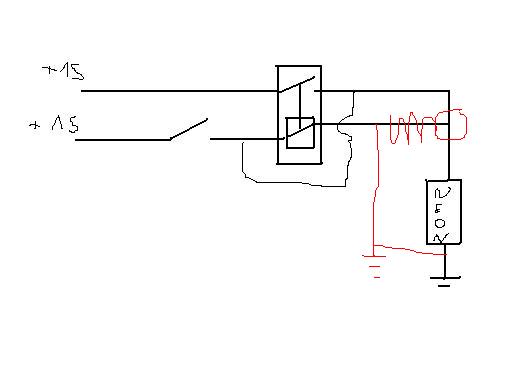
tu esquema tiene un fallo.
Una vez que activas el rele se queda pegado para siempre, ya que la autoalimentacion la realiza por el borne 30, positivo directo de bateria que no se puede desconectar.
o sea, que si le das al interruptor el rele se queda pegado de por vida XD.
-
Re: Que interruptor, pulsador o que usar?
-
1 Archivos adjunto(s)
Re: Que interruptor, pulsador o que usar?
-
Re: Que interruptor, pulsador o que usar?
asi perfecto, pero el borne 30 del rele, alimentalo bajo contacto, osea el cable de arriba a la izquierda bajo contacto, sino no se despegara nunca.
Para que lo vas a utilizar exactamente?¿
-
1 Archivos adjunto(s)
Re: Que interruptor, pulsador o que usar?
Este esquema tambien te sirve para iluminar el neon, a ver te gusta mas:
http://www.clubgsispain.com/attachme...1&d=1198627924
Al principio pense en un rele de 5 patillas pero con uno de 4 va de lujo.
Tiene un problema, es que en cualquier ciscunstancia se va encender, siempre que le des al interruptor. No se asi lo quieres.
-
Re: Que interruptor, pulsador o que usar?
no es ke el eskema tenga un fallo eske efectivamente el rele se qeda pegado siempre a no ser q desconectes la alimentacion general del rele, como ejemplo el numero 30 podria ir a traves de contacto i al dar el pulsador el circuito qeda siempre activado asta q cortes el contacto.
saludos a todos