Hola a tod@s.
Hace tiempo que no escribo, pero os leo con regularidad.
Abro este nuevo hilo para explicar una avería que he tenido hace poco, y me ha tenido loco un mes.
:rolleyes:
El coche es el astra gsi 16v motronic 2.8
Desde la restauración, no he tenido ningún problema´. Ya llevamos casi 5000km y el coche va fino,fino...
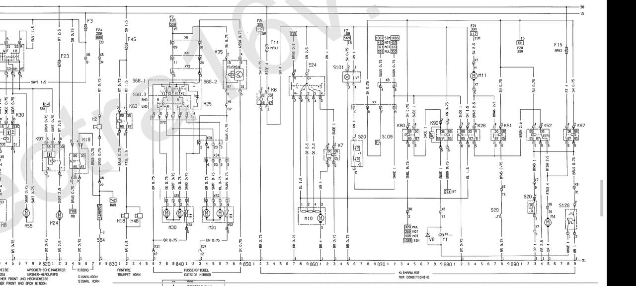
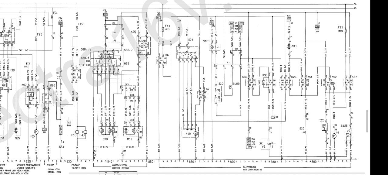
Archivo adjunto 63806
