Decir ante todo que he tratado de buscar por el foro y he leido muchos post pero no encuentro solucion a las dudas.
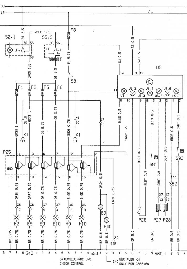
Tengo las dos versiones de check control una con el conector negro de 8 pines y la otra del conector azul. No se si es que esta mal o directamente no se hacerla funcionar. La version del conector azul viene con el modulo de las luces fundidas y con cables para positivo, masa etc...y bajo ningun concepto enciende ninguna luz. La del conector negro no se si es la que necesita un modulo aparte ya que si no no entiendo el conexionado de esta. ¿Algo estoy pasando por alto?

