1 Archivos adjunto(s)
temporización bomba de gasolina 20seh ML4.1
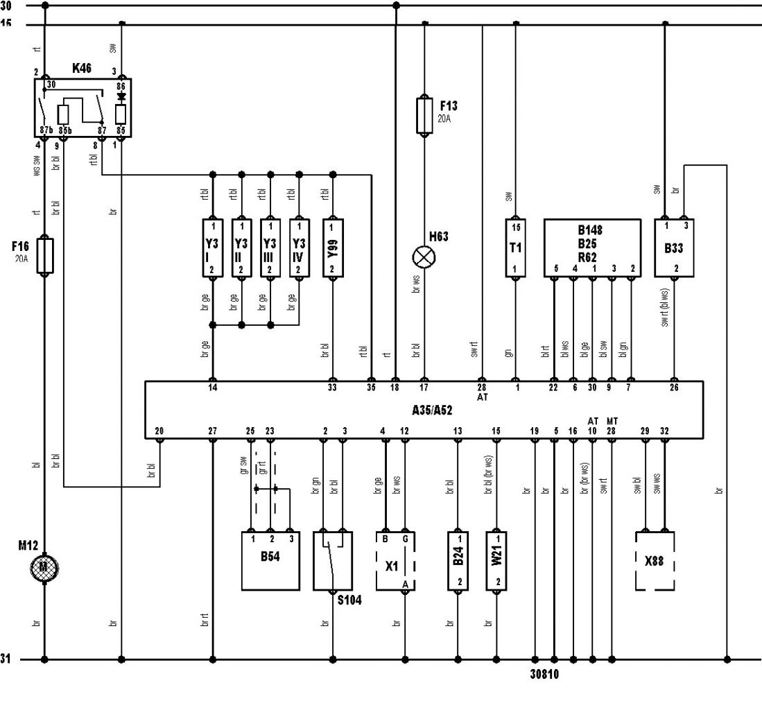
LLevo unos días buscando un fallo electrico en un 20seh con electrónica motronic ML4.1;
El fallo en sí es que no arranca el coche,
porque no se enciende la bomba de gasolina,
porque el rele de inyección no sale corriente por pin 87b
porque la centralita no da la masa(pin 20 ecu) (ni temporizada al poner contacto, ni una vez arrancado) del rele de inyección por el pin 85b
por tanto: ¿que sensor o cableado influye en que la centralita no de la masa al pin 20?
comprobadas todas las masas de la centralita, los +30, los +15 y la centralita no es la cumplable.
hice comprobaciones en los sensores cigüeñal,caudalimetro,inyectores,válvula relentin,ficha octanage,bobina y alguno más
el motor funciona perfecto, porque puenteando la señal de masa 85b al relé, la bomba funciona (no para con el contacto al no temporizar) pero arranca y funciona perfecto.
ahora mientras escribia esto, se me ocurrió que una posible causa: ¿necesito tener conectado los cables del marcador (en especial luz de diagnosis)?
Archivo adjunto 41666